- AddressToh Guan Centre, 31/F,69 Toh Guan Rd E, Singapore 608609
- Factory AddressToh Guan Centre, 31/F,69 Toh Guan Rd E, Singapore 608609
- Worktime9:00-18:00
- Phone(Working Time)0065-31591578
- Phone(Nonworking Time)0065-31591578
- Fax0065-31591339
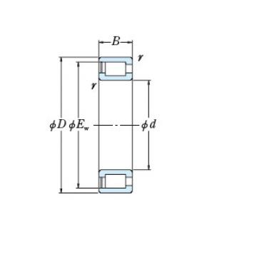
FULL-COMPLEMENT CYLINDRICAL ROLLER BEARINGS NSK
Contact NowFull Complement CRB for Crane Sheaves - NSK Europe LtdNSK's Full Complement Cylindrical Roller Bearings, with seals, for Crane Sheaves feature high performance seals, a highly corrosion resistant phosphate coating NSK Full Complement Cylindrical Roller BearingNSK's Full Complement Cylindrical Roller Bearings, with seals, for Crane Sheaves feature high performance seals, a highly corrosion resistant phosphate
Cylindrical Roller Bearings - NSKCageless, full-complement cylindrical roller bearings have the maximum possible number of rollers and can sustain much heavier loads than cylindrical roller Cylindrical Roller Bearings - Full Complement - NSK AmericasFull Complement Cylindrical Roller Bearings for Crane Sheaves feature high performance seals, a highly corrosion resistant phosphate coating and overall fewer CYLINDRICAL ROLLER BEARINGS FOR CRANE SHEAVESNSK's special design double-row full-complement cylindrical roller bearings are ideally designed for the rigor of crane sheave applications, contending with
Mud pump bearings Turntable bearings Agricultural bearings Angular Contact Bearings Duplex Angular Contact Bearings Industrial bearings Iron and steel industry bearings Power transmission bearing Hydrostatic centripetal bearing Ball Thrust Bearings Papermaking Machinery bearings Agricultural machinery bearing McGILL bearing Rexroth pump assay Komatsu motor parts BOSCH Fuel injector Hitachi excavator parts Axial Piston Pumps Sauer Danfoss pump Eaton pump parts Nachi pump assay Linde pump Mining Construction Ball Bearings Linear Bearings vane pumps gear pumps inc piston pumps Thin-Section Ball Bearings Adapter Sleeves pressure valves gear reducer relief valves Mcgill Bearing Die & Mold Plain-Bearing Bushings FAG Bearing Singapore SKF bearing Accessories SKF bearing Housing SKF bearing shaft seals SKF Bearing units Bearing Distributors Inventory Oilfield mud pump bearings Heavy-Duty Shaker Screen Spherical Double row double row tapered roller bearings (inch series) Multi-Row Roller Bearings NTN Four Row Cylindrical Roller Bearings NTN SL Type Cylindrical Roller Bearings NTN SL Type Cylindrical Roller Bearings for Sheaves NTN Single Row Tapered Roller Bearings NTN Double Row Tapered Roller Bearings NTN Four Row Tapered Roller Bearings NTN Spherical Roller Bearings NTN Thrust Bearings NTN Bearings for special applications NTN DOUBLE-ROW CYLINDRICAL ROLLER BEARINGS NSK FULL-COMPLEMENT CYLINDRICAL ROLLER BEARINGS NSK SINGLE-ROW TAPERED ROLLER BEARINGS NSK YUKEN Piston pump DOUBLE-ROW TAPERED ROLLER BEARINGS NSK SPHERICAL ROLLER BEARINGS NSK SINGLE-DIRECTION THRUST BALL BEARINGS NSK CYLINDRICAL ROLLER THRUST BEARINGS NSK TAPERED ROLLER THRUST BEARINGS NSK SPHERICAL THRUST ROLLER BEARINGS NSK ROLLING BEARINGS FOR STEEL MILLS NSK SEALED-CLEAN FOUR-ROW TAPERED ROLLER BEARINGS NSK FOUR-ROW CYLINDRICAL ROLLER BEARINGS NSK DOUBLE-ROW TAPERED ROLLER BEARINGS NSK Roll Bearings for Mills NSK Ball Bearings NSK TAPERED ROLLER THRUST BEARINGS For Adjusting Screws NSK Thin Section Bearings Kaydon Double row double row tapered roller bearings (inch series) Double direction thrust tapered roller bearings Full complement Tapered roller Thrust bearing Thrust cylindrical roller bearings Thrust spherical roller bearings Sealed Four Row Tapered Roller Bearings Four row tapered roller bearings Double outer double row tapered roller bearings TDO double-row tapered roller bearings Single row tapered roller bearings inch Double inner double row tapered roller bearings TDI Double inner double row tapered roller bearings inch Spherical roller bearing Four row cylindrical roller bearings Single row cylindrical roller bearings Full row of cylindrical roller bearings Double row cylindrical roller bearings Double row full complement cylindrical roller bearings Four point contact ball bearings Double row angular contact ball bearings Deep groove ball bearings ANGULAR CONTACT THRUST BALL BEARINGS TYPE TVL DTVL angular contact thrust ball bearing. TP thrust cylindrical roller bearing TPS thrust cylindrical roller bearing THRUST SPHERICAL ROLLER BEARINGS TYPES TSR-EJ AND TSR-EM TTHD THRUST TAPERED ROLLER BEARINGS TTHDFL thrust tapered roller bearing TTHDFLSA THRUST TAPERED ROLLER BEARINGS THRUST TAPERED ROLLER BEARINGS TYPES TTSP, TTSPS AND TTSPL THRUST TAPERED ROLLER BEARINGS – TYPES TTC, TTCS AND TTCL SCREWDOWN BEARINGS – TYPES TTHDSX/SV AND TTHDFLSX/SV THRUST TAPERED ROLLER BEARING TYPES TTDWK AND TTDFLK CROSSED ROLLER BEARINGS TXR Tapered Roller bearings double-row • Type TDO Tapered Roller bearings double-row TDI TDIT Tapered Roller Bearings double-row TNA Tapered Roller Bearings double-row TNASWE Tapered Roller Bearings double-row Spacer assemblies TTVS TTSP TTC TTCS TTCL tapered roller thrust BEARINGS Heavy-Duty Shaker Screen Spherical Roller Bearings Timken SPHERICAL ROLLER BEARINGS CYLINDRICAL ROLLER BEARINGS ONE-ROW METRIC ISO SERIES CYLINDRICAL ROLLER BEARINGS one-row STANDARD SERIES CYLINDRICAL ROLLER BEARINGS FULL-COMPLEMENT NCF CYLINDRICAL ROLLER BEARINGS TWO-Row Four-Row Cylindrical Roller Bearings CYLINDRICAL ROLLER BEARINGS HJ SERIES CYLINDRICAL ROLLER BEARINGS 5200 A5200 metric series HeavY-duty needle roller bearings four-row cylindrical roller Bearing assembly four-row cylindrical roller Bearing inner ring Outer assembly four-row tapered roller Bearings • tQow – 2tdiw Timken Sealed roll neck Bearings four-row tapErEd rollEr BEaringS tQitS TnasWH TWo-roW TaPered roller bearings TdiT TnaT two-row tapErEd rollEr BEaringS tdik THrusT TaPered roller bearings TTdFlk, TTdW and TTdk bearings screwdown systems thrust tapered rollEr Bearings Thrust spherical roller bearing Mud pump bearings TOKYO-KEIKI piston pump TOKYO-KEIKI vane pump DAIKIN piston pump DAIKIN vane pump DAIKIN Rotor pump VICKERS Piston pump Vickers vane pump VICKERS gear pump NACHI gear pump NACHI piston pump Rexroth A1VO Rexroth A10VSO Rexroth AA4VSO Rexroth A15VSO Rexroth AZPF parker PV piston pump parker PVP piston pump parker PAVC piston pump parker vane pump Multi-Row Roller Bearings NTN Four Row Cylindrical Roller Bearings NTN SL Type Cylindrical Roller Bearings NTN SL Type Cylindrical Roller Bearings for Sheaves NTN Single Row Tapered Roller Bearings NTN Double Row Tapered Roller Bearings NTN Four Row Tapered Roller Bearings NTN Spherical Roller Bearings NTN Thrust Bearings NTN Bearings for special applications NTN DOUBLE-ROW CYLINDRICAL ROLLER BEARINGS NSK FULL-COMPLEMENT CYLINDRICAL ROLLER BEARINGS NSK SINGLE-ROW TAPERED ROLLER BEARINGS NSK YUKEN Piston pump DOUBLE-ROW TAPERED ROLLER BEARINGS NSK SPHERICAL ROLLER BEARINGS NSK SINGLE-DIRECTION THRUST BALL BEARINGS NSK CYLINDRICAL ROLLER THRUST BEARINGS NSK TAPERED ROLLER THRUST BEARINGS NSK SPHERICAL THRUST ROLLER BEARINGS NSK ROLLING BEARINGS FOR STEEL MILLS NSK SEALED-CLEAN FOUR-ROW TAPERED ROLLER BEARINGS NSK FOUR-ROW CYLINDRICAL ROLLER BEARINGS NSK DOUBLE-ROW TAPERED ROLLER BEARINGS NSK Roll Bearings for Mills NSK CROSSED-ROLLER BEARINGS NSK Ball Bearings NSK TAPERED ROLLER THRUST BEARINGS For Adjusting Screws NSK Roller Bearings NSK Thin Section Bearings Kaydon Double row double row tapered roller bearings (inch series) Double direction thrust tapered roller bearings Full complement Tapered roller Thrust bearing Thrust cylindrical roller bearings Thrust spherical roller bearings Sealed Four Row Tapered Roller Bearings Four row tapered roller bearings Double outer double row tapered roller bearings TDO double-row tapered roller bearings Single row tapered roller bearings inch Double inner double row tapered roller bearings TDI Single row tapered roller bearings Double inner double row tapered roller bearings inch Split spherical roller bearings Spherical roller bearing Four row cylindrical roller bearings Single row cylindrical roller bearings Full row of cylindrical roller bearings Double row cylindrical roller bearings Double row full complement cylindrical roller bearings Four point contact ball bearings Double row angular contact ball bearings Deep groove ball bearings ANGULAR CONTACT THRUST BALL BEARINGS TYPE TVL DTVL angular contact thrust ball bearing. TP thrust cylindrical roller bearing TPS thrust cylindrical roller bearing THRUST SPHERICAL ROLLER BEARINGS TYPES TSR-EJ AND TSR-EM TTHD THRUST TAPERED ROLLER BEARINGS TTHDFL thrust tapered roller bearing TTHDFLSA THRUST TAPERED ROLLER BEARINGS THRUST TAPERED ROLLER BEARINGS TYPES TTSP, TTSPS AND TTSPL THRUST TAPERED ROLLER BEARINGS – TYPES TTC, TTCS AND TTCL SCREWDOWN BEARINGS – TYPES TTHDSX/SV AND TTHDFLSX/SV THRUST TAPERED ROLLER BEARING TYPES TTDWK AND TTDFLK CROSSED ROLLER BEARINGS TXR Tapered Roller bearings double-row • Type TDO Tapered Roller bearings double-row TDI TDIT Tapered Roller Bearings double-row Spacer assemblies TTVS TTSP TTC TTCS TTCL tapered roller thrust BEARINGS Heavy-Duty Shaker Screen Spherical Roller Bearings Timken SPHERICAL ROLLER BEARINGS CYLINDRICAL ROLLER BEARINGS ONE-ROW METRIC ISO SERIES CYLINDRICAL ROLLER BEARINGS one-row STANDARD SERIES CYLINDRICAL ROLLER BEARINGS FULL-COMPLEMENT NCF CYLINDRICAL ROLLER BEARINGS TWO-Row Four-Row Cylindrical Roller Bearings CYLINDRICAL ROLLER BEARINGS HJ SERIES CYLINDRICAL ROLLER BEARINGS 5200 A5200 metric series HeavY-duty needle roller bearings four-row cylindrical roller Bearing assembly four-row cylindrical roller Bearing inner ring Outer assembly Timken Sealed roll neck Bearings four-row tapErEd rollEr BEaringS tQitS TnasWH TWo-roW TaPered roller bearings TdiT TnaT two-row tapErEd rollEr BEaringS tdik THrusT TaPered roller bearings TTdFlk, TTdW and TTdk bearings screwdown systems thrust tapered rollEr Bearings Thrust spherical roller bearing Mud pump bearings TOKYO-KEIKI piston pump TOKYO-KEIKI vane pump YUKEN vane pump DAIKIN piston pump DAIKIN vane pump DAIKIN Rotor pump VICKERS Piston pump Vickers vane pump VICKERS gear pump NACHI gear pump NACHI piston pump Rexroth A1VO Rexroth A10VSO Rexroth AA4VSO Rexroth A15VSO Rexroth AZPF parker PV piston pump parker PVP piston pump parker PAVC piston pump Main pump
